| کد سازنده | |
|---|---|
| کشور سازنده | |
| برند | |
| نوع کمپرسور | |
| سازگار با مبرد | |
| روغن سازگار | |
| توان | |
| برق |
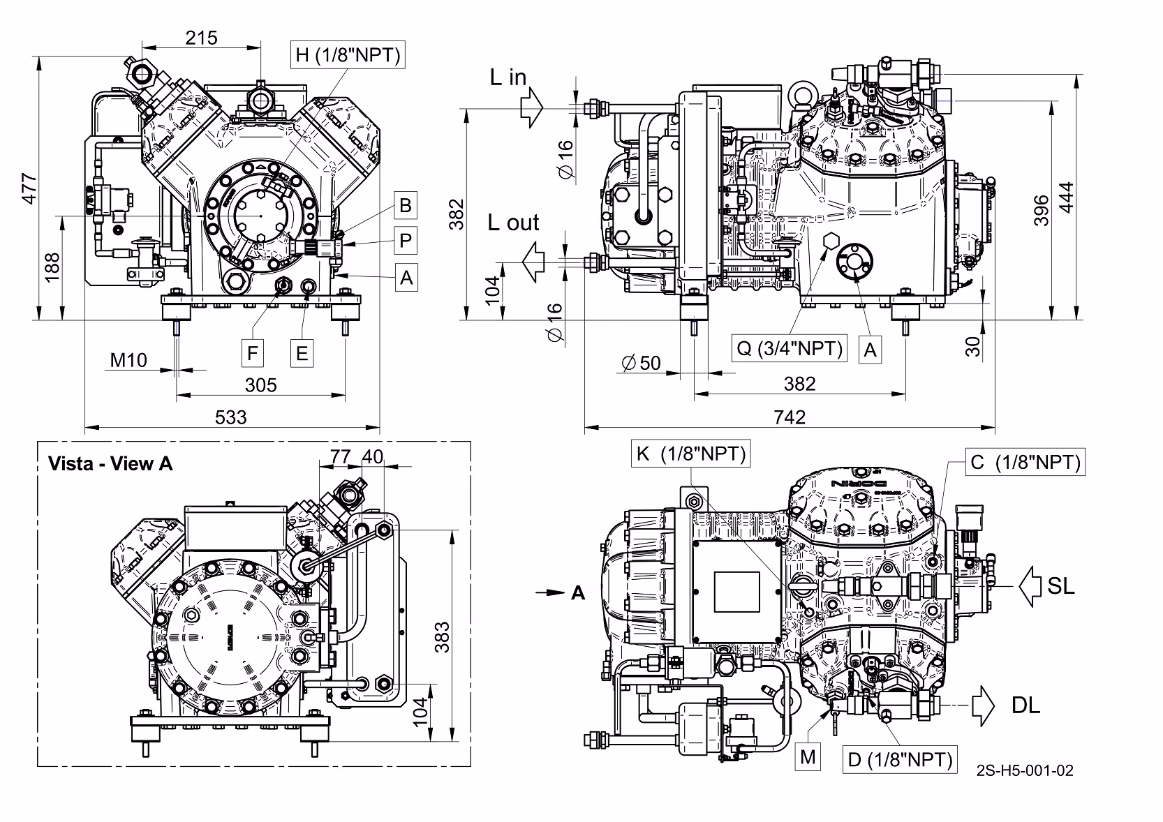
کمپرسور دو مرحله ای 20 اسب بخار دورین سری 2S-H2000
Dorin 2S-H2000 Two Stage Semi-hermetic compressor
- کد سازنده : 2S-H2000
- سازگار با مبرد : R22 / R404A
- روغن : پلیاُلاِستر (POE)
- توان : 20 اسب بخار
- کشور سازنده : ایتالیا
ارسال سریع
فوری، پیک، پست، باربری و اتوبوس
فاکتور رسمی
صدور فاکتور رسمی در سامانه مودیان
تضمین اصالت
تهیه قطعات از دفاتر رسمی برندها
برخی از مشتریان ما













